Guide Bush | Closed

Guide Bush N552

产品货号 5003039

  • Stop rings fixed on both sides.
  • The closed guide bush and integrated ball cage form a separate component.
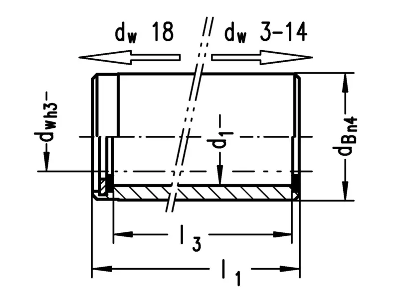
  • Guide bore diameter d1 is finely honed to ISO tolerance IT 3, Rz 0.5 – 1.5 μm depending on diameter.
  • Roundness within 1/3 ISO-IT 3.
  • Cylindricity within IT 1.
  • Radial run-out of a shaft inserted under preloading is within 0.0005 mm.
  • Outside diameter dB n4 with radial run-out error within IT 4, ground to guide bore diameter d1, lead-in taper on one side.
  • The maximum stroke path Hmax is determined from the length of guide bush l3 and the length of the ball cage l2: Hmax = 2 (l3-l2).
  • See catalog page 37-41 for instructions on installation and servicing.

For detailed information please select an item.

Other dimensions or designs based on workpiece drawings are available.
These can also be produced using stainless steel (1.4112).

Rotary stroke bearing consisting of:
Guide bush N 552/dw/d1/l1 Order No. 5003 . . .
Ball cage N 502/dw/d1/l2 Order No. 50002 . .

Guide Bush N552
Guide Bush N552
Durch Einpressen wird der mit sehr hoher Genauigkeit gefertigte Führungsdurchmesser d1 verformt. Die Buchse passt sich der Aufnahmebohrung an. Formfehler und erhöhte Vorspannung sind die Folge. Die Funktion der Kugelführung wird auf jeden Fall negativ beeinflusst.
Befestigung der Führungsbuchse
Die Kugeleingriffsstrecken werden von der gegenseitigen Lage von Führungsbuchse, Kugelkäfig und Führungswelle in der Hubendstellung bestimmt. Das Zusammenspiel der Baulängen l1 und l2 während der Bewegungsabläufe über den Hub bedingt unterschiedliche Betriebsarten.
Auslegung und Berechnung
MarMotion N552 | 物品号: 5003039
材料
材料编号 1.3505 (AISI E52 100)
热处理 通过硬化
恒定工作温度 150 °C
轴直径 (dw)- 迷你 8 mm
导套内径 (d1) 10 mm
导套长度 (l1/L) 25 mm
导套内尺寸 (l3) 23 mm
导套外径 (dB) 14 mm
外径公差 n4
尺寸 dw 8 | dB 14 | l1/L 25 | d1 10 | l3 23
图纸尺寸 1
产品 | 种类及选购件
Guide Bush N552
Guide Bush N552

轴直径 (dw) -迷你: 6 mm 长 (l1): 35 mm 长 (l3): 33 mm

Guide Bush N552
Guide Bush N552

轴直径 (dw) -迷你: 12 mm 长 (l1): 70 mm 长 (l3): 67 mm

Guide Bush N552
Guide Bush N552

轴直径 (dw) -迷你: 10 mm 长 (l1): 30 mm 长 (l3): 28 mm

Guide Bush N552
Guide Bush N552

轴直径 (dw) -迷你: 3 mm 长 (l1): 20 mm 长 (l3): 18 mm

Guide Bush N552
Guide Bush N552

轴直径 (dw) -迷你: 3 mm 长 (l1): 12.5 mm 长 (l3): 11 mm

Guide Bush N552
Guide Bush N552

轴直径 (dw) -迷你: 6 mm 长 (l1): 20 mm 长 (l3): 18 mm

Guide Bush N552
Guide Bush N552

轴直径 (dw) -迷你: 14 mm 长 (l1): 25 mm 长 (l3): 22 mm

Guide Bush N552
Guide Bush N552

轴直径 (dw) -迷你: 18 mm 长 (l1): 60 mm 长 (l3): 54 mm

Guide Bush N552
Guide Bush N552

轴直径 (dw) -迷你: 8 mm 长 (l1): 60 mm 长 (l3): 58 mm

Guide Bush N552
Guide Bush N552

轴直径 (dw) -迷你: 14 mm 长 (l1): 50 mm 长 (l3): 47 mm

Guide Bush N552
Guide Bush N552

轴直径 (dw) -迷你: 10 mm 长 (l1): 40 mm 长 (l3): 38 mm

Guide Bush N552
Guide Bush N552

轴直径 (dw) -迷你: 5 mm 长 (l1): 20 mm 长 (l3): 18 mm

Guide Bush N552
Guide Bush N552

轴直径 (dw) -迷你: 8 mm 长 (l1): 40 mm 长 (l3): 38 mm

Guide Bush N552
Guide Bush N552

轴直径 (dw) -迷你: 18 mm 长 (l1): 92 mm 长 (l3): 86 mm

Guide Bush N552
Guide Bush N552

轴直径 (dw) -迷你: 12 mm 长 (l1): 50 mm 长 (l3): 47 mm

Guide Bush N552
Guide Bush N552

轴直径 (dw) -迷你: 14 mm 长 (l1): 36 mm 长 (l3): 33 mm

Guide Bush N552
Guide Bush N552

轴直径 (dw) -迷你: 12 mm 长 (l1): 25 mm 长 (l3): 22 mm

Guide Bush N552
Guide Bush N552

轴直径 (dw) -迷你: 5 mm 长 (l1): 30 mm 长 (l3): 28 mm

Guide Bush N552
Guide Bush N552

轴直径 (dw) -迷你: 10 mm 长 (l1): 65 mm 长 (l3): 63 mm

Guide Bush N552
Guide Bush N552

轴直径 (dw) -迷你: 4 mm 长 (l1): 25 mm 长 (l3): 23 mm

Guide Bush N552
Guide Bush N552

轴直径 (dw) -迷你: 18 mm 长 (l1): 45 mm 长 (l3): 39 mm

Guide Bush N552
Guide Bush N552

轴直径 (dw) -迷你: 14 mm 长 (l1): 75 mm 长 (l3): 72 mm

Guide Bush N552
Guide Bush N552

轴直径 (dw) -迷你: 3 mm 长 (l1): 15 mm 长 (l3): 13 mm

Guide Bush N552
Guide Bush N552

轴直径 (dw) -迷你: 4 mm 长 (l1): 15 mm 长 (l3): 13 mm

Guide Bush N552
Guide Bush N552

轴直径 (dw) -迷你: 12 mm 长 (l1): 36 mm 长 (l3): 33 mm

返回顶部