Guide Bush | Closed

Guide Bush N552

产品货号 5003060

  • Stop rings fixed on both sides.
  • The closed guide bush and integrated ball cage form a separate component.
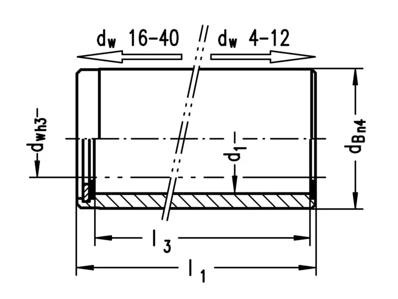
  • Guide bore diameter d1 is finely honed to ISO tolerance IT 3, Rz 0.5 – 1.5 μm depending on diameter.
  • Roundness within 1/3 ISO-IT 3.
  • Cylindricity within IT 1.
  • Radial run-out of a shaft inserted under preloading is within 0.0005 mm.
  • Outside diameter dB n4 with radial run-out error within IT 4, ground to guide bore diameter d1, lead-in taper on one side.
  • The maximum stroke path Hmax is determined from the length of guide bush l3 and the length of the ball cage l2: Hmax = 2 (l3-l2).
  • See catalog page 37-41 for instructions on installation and servicing.

For detailed information please select an item.

Other dimensions or designs based on workpiece drawings are available.
These can also be produced using stainless steel (1.4112).

Rotary stroke bearing consisting of:
Guide bush N 552/dw/d1/l1 Order No. 5003 . . .
Ball cage N 501/dw/d1/l2 Order No. 50010 . .
or
Ball cage N 500/dw/d1/l2 Order No. 50000 . .

Guide Bush N552
Guide Bush N552

Einpressen vermeiden!

Durch Einpressen wird der mit sehr hoher Genauigkeit gefertigte Führungsdurchmesser d1 verformt. Die Buchse passt sich der Aufnahmebohrung an. Formfehler und erhöhte Vorspannung sind die Folge. Die Funktion der Kugelführung wird auf jeden Fall negativ beeinflusst.
Befestigung der Führungsbuchse
Die Kugeleingriffsstrecken werden von der gegenseitigen Lage von Führungsbuchse, Kugelkäfig und Führungswelle in der Hubendstellung bestimmt. Das Zusammenspiel der Baulängen l1 und l2 während der Bewegungsabläufe über den Hub bedingt unterschiedliche Betriebsarten.
Auslegung und Berechnung
Weitere Abmessungen oder Ausführungen sind nach Werkstück-Zeichnung lieferbar, auch aus nichtrostendem Stahl (1.4112).
MarMotion N552 | 物品号: 5003060
材料
材料编号 1.3505 (AISI E52 100)
热处理 通过硬化
恒定工作温度 150 °C
轴直径 (dw) 12 mm
导套内径 (d1) 17 mm
导套长度 (l1/L) 50 mm
导套内尺寸 (l3) 47 mm
导套外径 (dB) 22 mm
外径公差 n4
尺寸 dw 12 | l1/L 50 | dB 22 | d1 17 | l3 47
图纸尺寸 1
产品 | 种类及选购件
Guide Bush N552
Guide Bush N552

轴直径 (dw):32 mm 长 (l1): 75 mm 长 (l3): 67 mm

Guide Bush N552
Guide Bush N552

轴直径 (dw):20 mm 长 (l1): 64 mm 长 (l3): 58 mm

Guide Bush N552
Guide Bush N552

轴直径 (dw):10 mm 长 (l1): 70 mm 长 (l3): 67 mm

Guide Bush N552
Guide Bush N552

轴直径 (dw):12 mm 长 (l1): 25 mm 长 (l3): 22 mm

Guide Bush N552
Guide Bush N552

轴直径 (dw):20 mm 长 (l1): 112 mm 长 (l3): 106 mm

Guide Bush N552
Guide Bush N552

轴直径 (dw):25 mm 长 (l1): 132 mm 长 (l3): 125 mm

Guide Bush N552
Guide Bush N552

轴直径 (dw):6 mm 长 (l1): 25 mm 长 (l3): 23 mm

Guide Bush N552
Guide Bush N552

轴直径 (dw):32 mm 长 (l1): 145 mm 长 (l3): 137 mm

Guide Bush N552
Guide Bush N552

轴直径 (dw):8 mm 长 (l1): 65 mm 长 (l3): 63 mm

Guide Bush N552
Guide Bush N552

轴直径 (dw):12 mm 长 (l1): 75 mm 长 (l3): 72 mm

Guide Bush N552
Guide Bush N552

轴直径 (dw):40 mm 长 (l1): 80 mm 长 (l3): 70 mm

Guide Bush N552
Guide Bush N552

轴直径 (dw):16 mm 长 (l1): 33 mm 长 (l3): 27 mm

Guide Bush N552
Guide Bush N552

轴直径 (dw):8 mm 长 (l1): 40 mm 长 (l3): 38 mm

Guide Bush N552
Guide Bush N552

轴直径 (dw):10 mm 长 (l1): 25 mm 长 (l3): 22 mm

Guide Bush N552
Guide Bush N552

轴直径 (dw):10 mm 长 (l1): 50 mm 长 (l3): 47 mm

Guide Bush N552
Guide Bush N552

轴直径 (dw):10 mm 长 (l1): 36 mm 长 (l3): 33 mm

Guide Bush N552
Guide Bush N552

轴直径 (dw):16 mm 长 (l1): 45 mm 长 (l3): 39 mm

Guide Bush N552
Guide Bush N552

轴直径 (dw):40 mm 长 (l1): 120 mm 长 (l3): 110 mm

Guide Bush N552
Guide Bush N552

轴直径 (dw):40 mm 长 (l1): 172 mm 长 (l3): 162 mm

Guide Bush N552
Guide Bush N552

轴直径 (dw):16 mm 长 (l1): 92 mm 长 (l3): 86 mm

Guide Bush N552
Guide Bush N552

轴直径 (dw):20 mm 长 (l1): 56 mm 长 (l3): 50 mm

Guide Bush N552
Guide Bush N552

轴直径 (dw):20 mm 长 (l1): 42 mm 长 (l3): 36 mm

Guide Bush N552
Guide Bush N552

轴直径 (dw):4 mm 长 (l1): 20 mm 长 (l3): 18 mm

Guide Bush N552
Guide Bush N552

轴直径 (dw):16 mm 长 (l1): 60 mm 长 (l3): 54 mm

Guide Bush N552
Guide Bush N552

轴直径 (dw):40 mm 长 (l1): 96 mm 长 (l3): 86 mm

Guide Bush N552
Guide Bush N552

轴直径 (dw):32 mm 长 (l1): 90 mm 长 (l3): 82 mm

Guide Bush N552
Guide Bush N552

轴直径 (dw):6 mm 长 (l1): 40 mm 长 (l3): 38 mm

Guide Bush N552
Guide Bush N552

轴直径 (dw):8 mm 长 (l1): 30 mm 长 (l3): 28 mm

Guide Bush N552
Guide Bush N552

轴直径 (dw):12 mm 长 (l1): 36 mm 长 (l3): 33 mm

Guide Bush N552
Guide Bush N552

轴直径 (dw):25 mm 长 (l1): 79 mm 长 (l3): 72 mm

Guide Bush N552
Guide Bush N552

轴直径 (dw):6 mm 长 (l1): 60 mm 长 (l3): 58 mm

Guide Bush N552
Guide Bush N552

轴直径 (dw):25 mm 长 (l1): 63 mm 长 (l3): 56 mm

Guide Bush N552
Guide Bush N552

轴直径 (dw):25 mm 长 (l1): 45 mm 长 (l3): 38 mm

Guide Bush N552
Guide Bush N552

轴直径 (dw):4 mm 长 (l1): 30 mm 长 (l3): 28 mm

Guide Bush N552
Guide Bush N552

轴直径 (dw):32 mm 长 (l1): 63 mm 长 (l3): 55 mm

返回顶部